A maior instalação nuclear do mundo impulsiona a transformação digital com processos centrados em dados.

Bruce Power


A Bruce Power já opera a maior instalação nuclear do mundo, mas planeja expandir suas operações ainda mais. Para ter sucesso em três projetos de expansão, a líder em energia limpa de Ontário precisa entregar os resultados dentro do prazo e do orçamento, garantindo ao mesmo tempo uma operação mais eficiente e produtiva nos próximos anos. Com o apoio da AVEVA e um pacote de suas soluções, a Bruce Power lançou uma abordagem em fases para a transformação digital.

bruce power

Desafios


Para cumprir sua estrutura de acordos de investimento, a Bruce Power precisava reduzir os cronogramas e os custos dos projetos.

Ferramentas obsoletas e processos centrados em documentos limitavam novos ganhos de eficiência.

Ferramentas necessárias que poderiam melhorar tanto a entrega dos projetos quanto a operação dos ativos ao longo do tempo

Resultados


1.000

Horas de trabalho economizadas ao eliminar a busca e recuperação manual de dados.

15%

Economia de custos ao evitar a repetição de inspeções locais e verificações em campo

30%

economia na execução graças à melhoria na qualidade do projeto

50%

economia de custos e prazos no encerramento de alterações de engenharia


Da entrega à operação e manutenção

Com oito unidades de reator e uma capacidade total instalada de 6.555 megawatts, a Bruce Power já é a maior instalação nuclear em operação no mundo. Mas isso não significa que não haja mais espaço para crescer. A empresa líder em energia limpa, sediada em Ontário, tem três grandes planos de expansão no horizonte. Primeiro, planeja estender a vida útil de seis de suas unidades existentes para 2064 e além. Em seguida, com seu sistema de produção de isótopos recém-implementado, a Bruce Power planeja produzir mais isótopos para uso medicinal, como o lutécio 177 e o cobalto 60 (usados, respectivamente, no combate ao câncer de próstata e na esterilização de equipamentos médicos). Por fim, a Bruce Power busca uma expansão no sentido tradicional, adicionando mais 4.600 megawatts de capacidade de geração ao seu complexo por meio de novas construções.

Para ter sucesso nessas novas frentes de expansão, a estrutura de investimentos da Bruce Power exige que cada novo ciclo de modernização seja entregue de forma mais rápida e barata que o anterior. “Para alcançarmos essas metas”, explica Patrick Desbiens, gerente de programa de engenharia digital da Bruce Power, “precisamos reduzir os custos e os prazos de entrega dos projetos e, ao mesmo tempo, gerar novas eficiências na operação e manutenção para sustentar esses ativos ao longo do tempo.”

Felizmente, todos esses objetivos partem de uma estratégia em comum: impulsionar a transformação digital com processos centrados em dados. Para elaborar essa estratégia e colocá-la em prática, a Bruce Power firmou uma parceria com a AVEVA.

“Era importante para nós ter um parceiro com a escala e o ecossistema necessários para atender a todas as nossas necessidades, e foi por isso que escolhemos a AVEVA.”


 

“Era importante para nós ter um parceiro com a escala e o ecossistema necessários para atender a todas as nossas necessidades, e foi por isso que escolhemos a AVEVA”

-- Patrick Desbiens, Gerente de Programa de Engenharia Digital na Bruce Power
 



Um novo kit de ferramentas digital para uma abordagem centrada em dados

No início de seu novo projeto de transformação digital, a equipe da Bruce Power percebeu que já havia atingido o limite dos ganhos de eficiência possíveis com sua abordagem tradicional, que era baseada em processos centrados em documentos e em ferramentas ultrapassadas. “Algumas das ferramentas que usamos hoje”, conta Desbiens, “são, na verdade, as mesmas que foram usadas para construir a própria usina.” Para ir além, a Bruce Power precisava de uma nova abordagem, viabilizada por um novo conjunto de ferramentas centrado em dados.

Com o apoio da AVEVA e um pacote integrado de suas soluções, a Bruce Power lançou sua iniciativa de engenharia digital: uma abordagem modular e em fases para a transformação digital, com foco inicial em metas de otimização de alto valor.

“É um projeto bastante ambicioso”, afirma Desbiens. “Ele abrange uma vasta gama de funcionalidades em processos multidisciplinares.” A iniciativa vai desde a ferramenta de configuração da fiação da usina até a introdução de modelos 3D nos processos e a transição para resultados digitais e inteligentes.

Solução

A empresa implementou um pacote integrado de soluções da AVEVA, incluindo: AVEVA™ Asset Information Management, AVEVA™ Point Cloud Manager, AVEVA™ Unified Engineering, AVEVA™ PI System™ e CONNECT, para otimizar as operações, reduzir custos de projetos e aumentar a eficiência.

Conectando os pontos

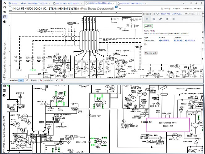
A Bruce Power lançou sua nova iniciativa de engenharia digital com a implementação em toda a empresa do AVEVA Asset Information Management. O objetivo é conectar todos os dados de suas unidades operacionais existentes e reduzir o tempo que as equipes gastam procurando informações. Conectar as informações de cinco sistemas complexos e extensos em um único hub de acesso centralizado é um desafio monumental. Ao todo, a plataforma reúne 720 mil códigos de equipamentos, 4 mil fluxogramas operacionais, cerca de 1,7 milhão de documentos, mais de 30 conjuntos de dados e 40 mil tags do AVEVA PI System.

Os fluxogramas digitalizados, utilizados em toda a organização e por diferentes áreas, agora funcionam como a principal porta de entrada para o novo sistema da Bruce Power. Até o momento, o novo sistema da empresa já conta com mais de 1,8 mil usuários únicos e proporcionou uma economia superior a mil horas de busca por informações. “Nosso objetivo era permitir que os usuários encontrassem o dado certo, na hora certa, para uma tomada de decisão mais ágil e precisa”, afirma Desbiens.

conectando os pontos A Bruce Power digitalizou mais de 1,7 milhão de documentos, como o fluxograma acima, usando o AVEVA Asset Information Management.

Antes da transformação digital, os usuários da Bruce Power precisavam abrir cada item em suas ferramentas antigas e anexar os documentos correspondentes manualmente, um processo extremamente trabalhoso. “Quando você depende que as pessoas façam isso manualmente”, conta Desbiens, “falhas acontecem.” Agora, com o AVEVA Asset Information Management, a equipe está automatizando as relações entre tags e documentos. “Basta emitir seus documentos”, explica Desbiens, “e da próxima vez que você abrir [o AVEVA Asset Information Management], essas relações já estarão estabelecidas.” O [AVEVA PI System] também é um grande diferencial aqui.” Os usuários podem visualizar dados operacionais em tempo real do AVEVA PI Vision diretamente no ambiente do AVEVA Asset Information Management, otimizando o acesso a insights de processos em tempo real. Até agora, a automação desse fluxo ajudou a Bruce Power a alcançar uma economia de 50% nos custos e prazos no encerramento das alterações de engenharia.



“Nosso objetivo era permitir que os usuários encontrassem o dado certo, na hora certa, para uma tomada de decisão mais ágil e precisa.”

—Patrick Desbiens, gerente de programa de engenharia digital, Bruce Power  

 



Processos de modelagem mais sofisticados para um trabalho de maior qualidade

A equipe de engenharia digital da Bruce Power implementou o AVEVA Point Cloud Management por meio do CONNECT. A equipe de engenharia digital trabalhou em conjunto com as equipes de modernização e outras equipes de projeto para definir um padrão de escaneamento a laser. Agora, as equipes de projeto podem continuar realizando os escaneamentos, que são então enviados para um local centralizado onde a equipe de engenharia digital pode uni-los para formar uma única estação virtual.

Em apenas seis meses de implementação, a Bruce Power escaneou sete das oito unidades do reator e carregou outros 15 projetos — um total de aproximadamente 8,5 terabytes de dados. No passado, esse vasto volume de dados de nuvem de pontos era acessível apenas a um grupo restrito da Bruce Power. Agora, por meio do CONNECT, a empresa pode democratizar o acesso a essas informações para outras áreas do negócio. As equipes de operações podem usar os dados para instruções de segurança pré-tarefa, enquanto as equipes de campo e os engenheiros utilizam os dados de escaneamento para realizar trabalhos em áreas perigosas e radiológicas, que antes exigiriam deslocamento físico e uma complexa coordenação.

Até o momento, a nova solução ajudou a Bruce Power a conseguir uma economia de tempo de 15% ao evitar a repetição de inspeções locais e verificações em campo. A maior precisão dos escaneamentos também aprimorou a qualidade dos projetos, resultando em 30% de economia na fase de execução.

Processos de modelagem mais sofisticados para um trabalho de qualidade superior Usando o AVEVA Point Cloud Manager, a Bruce Power modelou sete de seus oito reatores com dados de escaneamento a laser.

Um alicerce digital para o futuro

O AVEVA Asset Information Management já tem economizado tempo das equipes. Sua integração com o AVEVA PI System potencializou ainda mais a inteligência operacional, incorporando os painéis do AVEVA PI Vision aos fluxos de trabalho de engenharia e manutenção. A Bruce Power espera que essa integração amplie o uso do AVEVA PI Vision em seus departamentos, reduzindo atrasos e aprimorando a consciência situacional. O AVEVA Point Cloud Manager já contribuiu para a qualidade do trabalho, mas a iniciativa de engenharia digital da Bruce Power está apenas começando.

Como próximos passos, a líder no setor de energia planeja implementar o AVEVA Unified Engineering e o AVEVA Enterprise Resource Management. O objetivo é promover o fluxo de trabalho completo das alterações de engenharia em projetos e dados de ativos existentes, o que, segundo a equipe, continuará a gerar ainda mais economia de tempo e custos. “E isso é muito animador para nós como empresa”, comemora Desbiens, “pois significa garantir energia de base confiável e livre de carbono, além da produção de isótopos para uso medicinal, pelas próximas décadas.”

Destaques do produto


AVEVA™ PI System™

Colete, agregue e enriqueça dados de operações em tempo real para a solução imediata de problemas e forneça facilmente dados formatados para aplicativos corporativos e análises avançadas.

AVEVA™ Asset Information Management

Acelere a descoberta de informações e elimine silos para acesso rápido, intuitivo e contextualizado a dados relevantes.<br> <br>

CONNECT

Nossa plataforma de inteligência industrial: acesse com segurança o mais amplo e aprofundado portfólio industrial de software como serviço (SaaS) aprimorado pelo poder da Inteligência Artificial (IA) industrial.

Gerenciador de nuvem de pontos AVEVA™

Antiga AVEVA LFM

O AVEVA™ Point Cloud Manager é uma solução de captura de dados 3D, habilitada para a nuvem, que facilita a produção e visualização de conjuntos de dados de captura de realidade escalonáveis e confiáveis.

AVEVA™ Unified Engineering

AVEVA Unified Engineering é um ambiente de engenharia centrado em dados. Desenvolva e trabalhe em colaboração durante todas as etapas do projeto com equipes de diversas disciplinas em tempo real.

Histórias de sucesso relacionadas

Entre em contato com a AVEVA
Bate-papo ao vivo
Agende uma demonstração